結構鋼是指符合特定強度和可成形性等級的鋼。可成形性以抗拉試驗中斷后伸長率表示。結構鋼一般用于承載等用途,在這些用途中鋼的強度是一個重要設計標準。結構鋼按材質可以細分為:合金結構鋼、碳素結構鋼、低合金結構鋼、耐熱結構鋼等類型。
結構鋼是鋼鐵制造業的支柱。設計師、建筑師和工程師根據其美學和結構品質選擇不同的部分,他們的選擇取決于尺寸、重量和外形。
根據鋼種和鋼的質量要求,合金結構鋼的冶煉,可采用氧氣頂吹轉爐、平爐、電弧爐;或再加電渣重熔、真空除氣。鑄錠可采用連鑄或模鑄。鋼錠應緩慢冷卻或熱送鍛造、軋制。鋼錠加熱時,應力求溫度均勻并有足夠的保溫時間,以改善偏析缺陷和避免鍛、軋時變形不均勻;鍛、軋后的鋼材,尺寸小的、特別是含碳0.2%左右的滲碳鋼,在600℃以上時應快速冷卻,以免加重帶狀組織;截面較大的鍛件,應采取措施消除內應力和白點。調質鋼應盡可能淬火成馬氏體組織,然后回火成索氏體組織;滲碳鋼在滲碳過程中,滲層濃度梯度不宜過大,以免在滲層晶界上出現連續網狀碳化物;氮化鋼必需先經熱處理得到所需的性能,再經最后精加工才能進行氮化。氮化處理后除將脆薄的"白層"研磨除去外,不再加工。
含碳量約0.05%~0.70%,個別可高達0.90%。可分為普通碳素結構鋼和優質碳素結構鋼兩類。前者含雜質較多,價格低廉,用于對性能要求不高的地方,它的含碳量多數在0.30%以下,含錳量不超過0.80%,強度較低,但塑性、韌性、冷變形性能好。除少數情況外,一般不作熱處理,直接使用。多制成條鋼、異型鋼材、鋼板等。用途很多,用量很大,主要用于鐵道、橋梁、各類建筑工程,制造承受靜載荷的各種金屬構件及不重要不需要熱處理的機械零件和一般焊接件。
優質碳素結構鋼鋼質純凈,雜質少,力學性能好,可經熱處理后使用。根據含錳量分為普通含錳量(小于0.80%)和較高含錳量(0.80%~1.20%)兩組。含碳量在0.25%以下,多不經熱處理直接使用,或經滲碳、碳氮共滲等處理,制造中小齒輪、軸類、活塞銷等;含碳量在0.25%~0.60%,典型鋼號有40,45,40Mn,45Mn等,多經調質處理,制造各種機械零件及緊固件等;含碳量超過0.60%,如65,70,85,65Mn,70Mn等,多作為彈簧鋼使用。

建筑中使用的結構鋼有多種類型, 在尺寸、重量和輪廓上都不一樣。
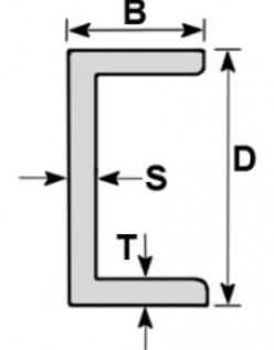
平行法蘭通道
這些引導的光束呈 u 形,有直角的角,有點像一根釘。它們有許多不同的大小,然而雙方的長度總是一樣的,彼此是平行的。它們還提供了較高的強度重量比,并有類似的角度部分的用途。

錐形法蘭梁
錐形法蘭梁是 i 形截面,也有多種尺寸可供選擇。在施工中這些經常用于梁的橫截面。雖然它們的阻力比相當高,但通常不建議在沿它們的長度存在壓力時,因為它們不具有扭轉性。

通用梁
通用梁,也被稱為廣告 i梁或h梁,其形狀與它們的名稱相似:直立時為“i”,側面為“h”。通用梁通常由結構鋼制成,用于建筑和土木工程等行業。

通用柱
通用柱也被廣泛用于結構用途。它們類似于梁,通常被稱為 i 型梁或 h 型梁,然而這三個部分的長度相等。顧名思義它們主要用于柱,并具有出色的承載能力。














